বাংলাদেশ জাতীয় তথ্য বাতায়ন
অফিসের ধরণ নির্বাচন করুন
স্বায়ত্তশাসিত
মন্ত্রণালয়
মন্ত্রণালয় বিভাগ
অধিদপ্তর / বিভাগ / এজেন্সী / সংস্থা
ব্যাংক / বীমা / আর্থিক প্রতিষ্ঠান
শিক্ষা প্রতিষ্ঠান
রেজাল্ট
প্রকল্প
প্রশিক্ষণ
সরকারি মাঠ পর্যায়ের অফিস
বিদেশী দূতাবাস/মিশন
বিভাগীয় পোর্টাল
জেলা পোর্টাল
জেলা পরিষদ পোর্টাল
সিটি কর্পোরেশন পোর্টাল
উপজেলা পোর্টাল
পৌরসভা পোর্টাল
ইউনিয়ন পোর্টাল
দেখুন
অনুসন্ধান
Sunday April 2026
হটলাইন
English
মেনু নির্বাচন করুন
আমাদের সম্পর্কে
অফিস সম্পর্কিত
এক নজরে
ভিশন ও মিশন
১.১রুপকল্প(Vision) সকলের জন্য সাশ্রয়ী ও মানসম্মত চিকিৎসা সেবা। ১.২ অভিলক্ষ্য(Mission) স্বাস্থ্য, জনসংখ্যা ও পুষ্টিখাতের উন্নয়নের মাধ্যমে সবার জন্য সুলভে মান সম্মত স্বাস্থ্যসেবা নিশ্চিত করে একটি সুস্থসবল ও কর্মক্ষম জনগোষ্ঠি গড়ে তোলা।
অর্জনসমূহ
সাম্প্রতিক কর্মকাণ্ড
ভবিষ্যৎ পরিকল্পনা
ঘটনাসমূহ
জনবল
অফিস প্রধান
প্রাক্তন অফিস প্রধানগণ
কর্মকর্তাগণ
কর্মচারীবৃন্দ
সাংগঠনিক কাঠামো
তথ্য প্রদানকারী কর্মকর্তা
অন্যান্য কার্যালয়
বিভাগ/জেলা
জেলা কার্যালয়সমূহ
বিভাগীয় কার্যালয়
মন্ত্রণালয়/বিভাগ ও অধিদপ্তর
মন্ত্রণালয়/বিভাগ
অধিদপ্তর
ই-সেবা
জাতীয় ই-সেবা
ই-বুক
নথি
ই-মোবাইল কোর্ট
ভূমি সেবা
বাংলাদেশ ফরম
সেবাকুঞ্জ
উত্তরাধিকার ক্যালকুলেটর
ই-তথ্য কোষ
মোবাইল অ্যাপ
নথি (এনড্রয়েড ফোন)
নথি (আই ফোন)
বাংলাদেশ-ডিরেক্টরি (এনড্রয়েড)
বাংলাদেশ পর্যটন (এনড্রয়েড)
উত্তরাধিকার ক্যালকুলেটর (এনড্রয়েড)
গ্যালারি
ফটো গ্যালারি
ভিডিও গ্যালারি
যোগাযোগ
অফিস যোগাযোগ
ডাক যোগাযোগ
অনলাইন যোগাযোগ
যোগাযোগ ম্যাপ
যোগাযোগের ম্যাপ
কীভাবে যাবেন
মতামত
মতামত ও পরামর্শ
আরও
সংক্ষিপ্ত
স্বাস্থ্য কমপ্লেক্স
এই কনটেন্টটি শেয়ার করতে ক্লিক করুন
আপনার মতামত প্রদান করুন
আপনার মতামত প্রদান করুন
আপনার নাম
নাম অবশ্যই দিতে হবে
আপনার ইমেইল
সঠিক ইমেইল দিন
আপনার যোগাযোগ নম্বর
সঠিক ফোন নম্বর দিন (যেমন 017XXXXXXXX)
আপনার মতামত
মতামত কমপক্ষে ২০ অক্ষরের হতে হবে
Attachment (jpg, jpeg, png, pdf • max 2 MB)
Invalid file. Allowed: JPG, JPEG, PNG, PDF up to 2MB
জমা দিন
সেবা এবং ধাপ
এডভান্সড অপশনগুলো দেখান
গ্রুপ অনুসারে
কিছুই না
শিরোনাম
পৃষ্ঠা আইটেম
১০
২০
৫০
১০০
নং
শিরোনাম
সেবার ধাপ
কার্যকলাপ
১
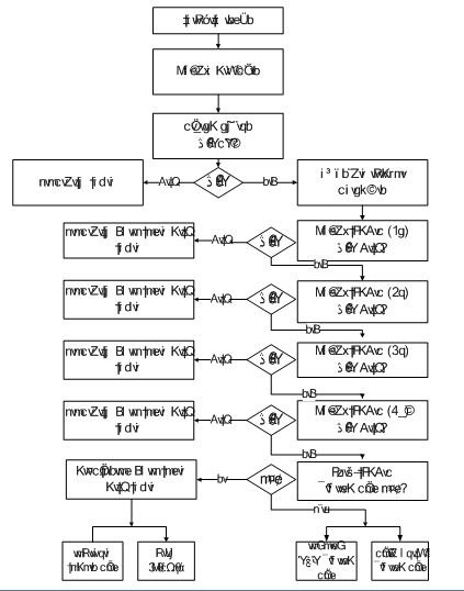
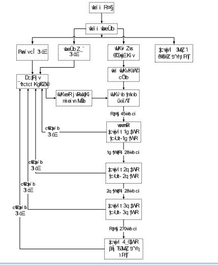
প্যাথলজিক্যাল পরীক্ষা-নিরীক্ষা
দেখুন
২
সম্প্রসারিত টিকাদান কর্মসূচী।
দেখুন
৩
গর্ভবতি ও প্রসূতি সেবা
দেখুন
৪
রোগ নিরাময় বা চিকিৎসা সেবা (বহিঃবিভাগীয়)
দেখুন
১
পৃষ্ঠায় যান
আর্কাইভ দেখুন
প্রকাশিত দেখুন
দেখছেন ১ থেকে ৪ পর্যন্ত, মোট ৪ এন্ট্রি
এই কনটেন্টটি শেয়ার করতে ক্লিক করুন
আপনার মতামত প্রদান করুন
আপনার মতামত প্রদান করুন
আপনার নাম
নাম অবশ্যই দিতে হবে
আপনার ইমেইল
সঠিক ইমেইল দিন
আপনার যোগাযোগ নম্বর
সঠিক ফোন নম্বর দিন (যেমন 017XXXXXXXX)
আপনার মতামত
মতামত কমপক্ষে ২০ অক্ষরের হতে হবে
Attachment (jpg, jpeg, png, pdf • max 2 MB)
Invalid file. Allowed: JPG, JPEG, PNG, PDF up to 2MB
জমা দিন
এক্সেসিবিলিটি
ফন্ট বৃদ্ধি
ফন্ট হ্রাস
মনোক্রোম
ইনভার্ট
বড় কার্সর
লিঙ্ক হাইলাইট
শিরোনাম হাইলাইট
পড়ার গাইড
রিসেট
স্ক্রিন রিডার ডাউনলোড করুন
কন্টেন্টে চলে যান
এক্সেসিবিলিটি মেনুতে যান